Проектирование пресс-форм

Литье под давлением является наиболее сложным технологическим способом производства изделий из полимеров. Причем эта сложность вызвана использованием специального инструмента или спецтехнологической оснастки – пресс-формы. Сложность выражается в необходимости использования для каждого пластмассового изделия своей, индивидуальной пресс-формы.

Первым этапом изготовления специальной оснастки является проектирование пресс-формы, который разбит на несколько подэтапов.

Создание чертежей пресс-формы

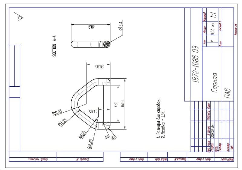
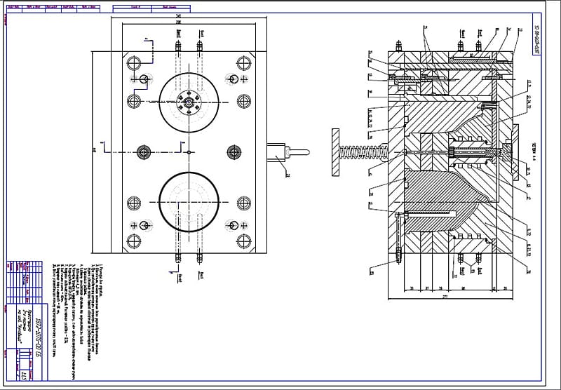
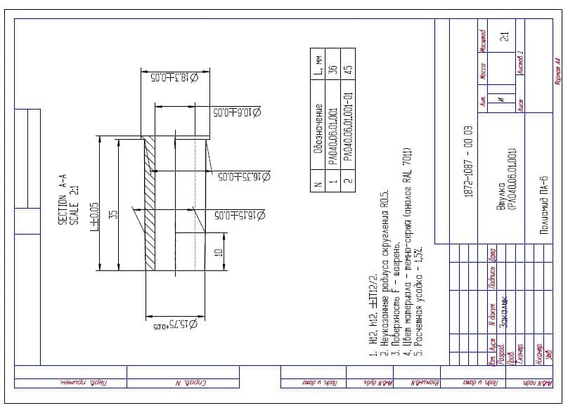
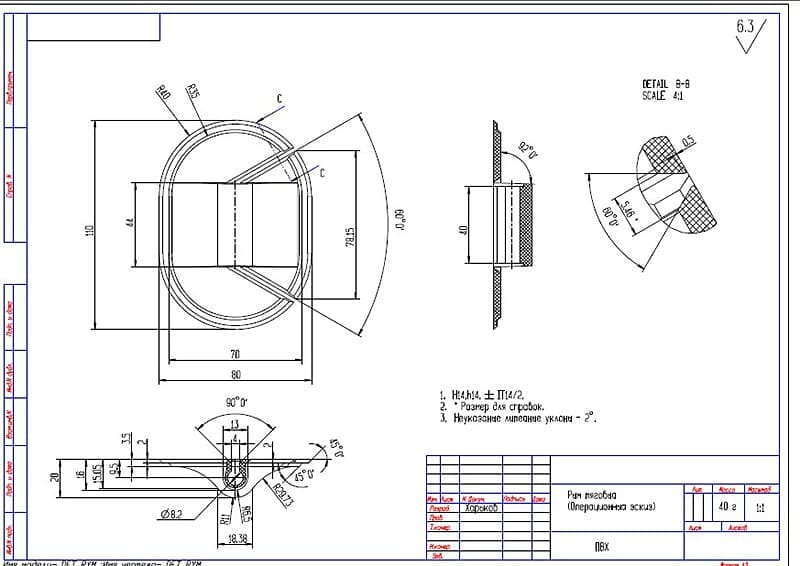
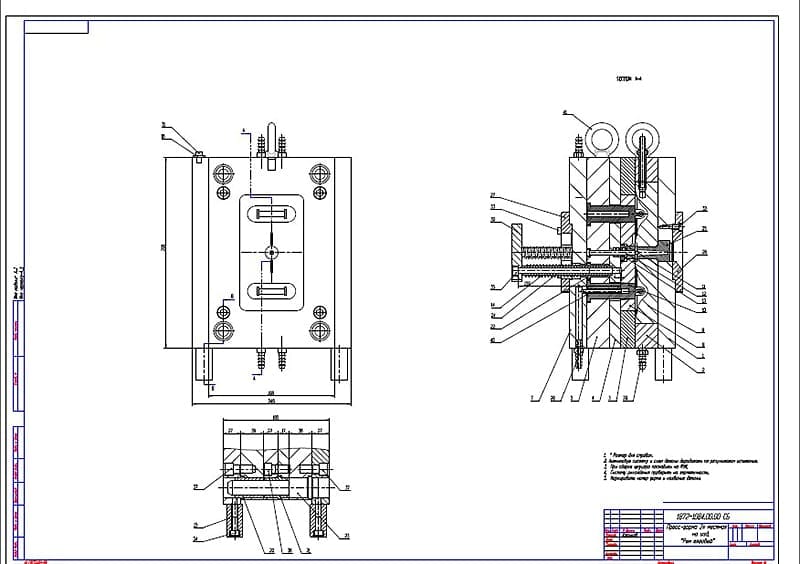
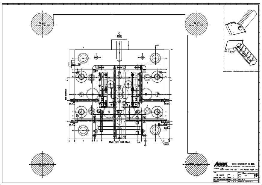
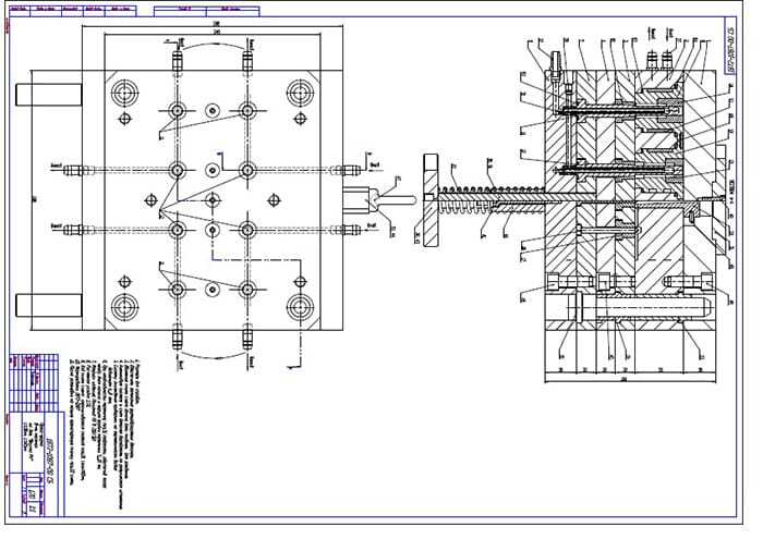
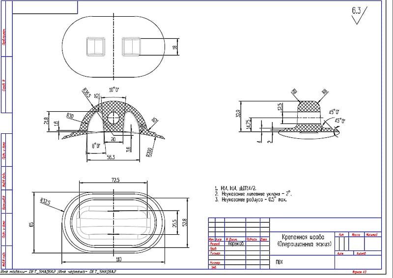
После изучения пластмассового изделия разрабатываются чертежи будущей пресс-формы с детальной проработкой наиболее сложных деталей. К таким относится матрица. В зависимости от конструкции, числа разъемов и сложности готового изделия матрица может быть проработана в нескольких вариантах.

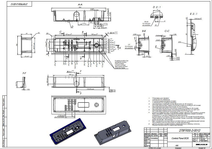
3D-визуализация пресс-формы

По эскизам выполняется 3D-визуализация, которая в дальнейшем используется в качестве исходных данных для конструкторских работ.

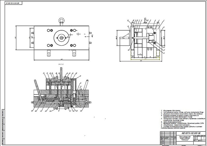
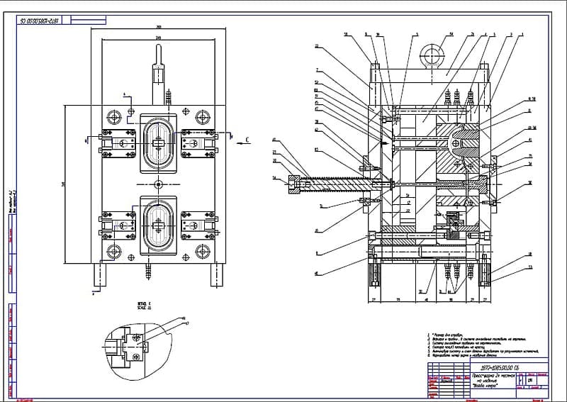
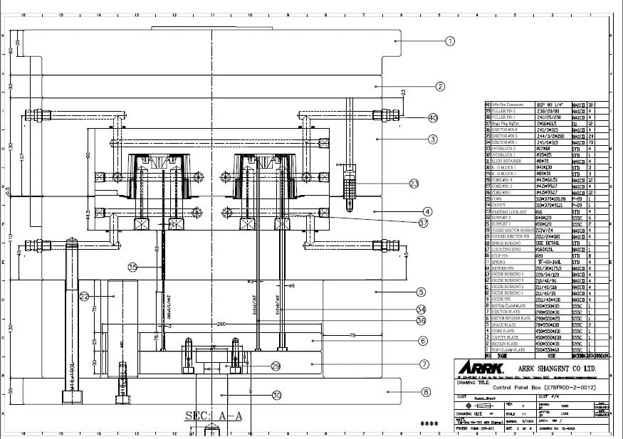
Дальнейший процесс проектирования пресс-формы включает проработку 3D-модели и разделение ее на отдельные конструктивные составляющие. Проработка каждого отдельного конструктивного элемента обычно проходит в один этап. Исключением может быть литниковая система и матрица для многоместных пресс-форм. При этом надо стремиться к максимально возможному использованию унифицированных элементов и стандартных деталей.

На стадии эскизной проработки необходимо максимально уменьшить число схемных (отъемных) и стержневых деталей. Увеличение числа этих конструктивных объектов приводит к необходимости повышения точности их изготовления, повышает трудоёмкость сборки-разборки пресс-формы, уменьшает долговечность спецоснастки.

3D моделирование и оптимизация работы пресс-формы

Для сокращения времени выполнения конструкторских работ и снижения вероятности возникновения конструктивных ошибок, которые неизбежно скажутся в готовой оснастке, сегодня широко применяется компьютерное моделирование и специальное программное обеспечение. Особенно заметный эффект дает моделирование процесса заполнения матрицы пластиковым расплавом. При этом можно задать температуру расплава, скорость его истечения через литниковую систему и другие характеристики технологического процесса изготовления пластмассового изделия.

На начальном этапе изготовления пресс-формы эскизные варианты, конструкторские проработки, появившиеся в ходе эскизного проектирования идеи, заносятся в компьютер (рабочую станцию), где и осуществляет оформление полного комплекта конструкторской документации в соответствии с существующим регламентом и стандартами.

Протипирование и дизайн пресс-формы

Последним проектировочным этапом является протипирование, на котором определяется итоговый дизайн пресс-формы.